2010年《招標采購案例分析》真題及答案(一)
更新時間:2012-11-20 17:20:25
來源:|0
瀏覽
收藏
摘要 2010年《招標采購案例分析》真題及答案
◎試卷導航 | ||
| 第一頁:第一題 | ||
第一題(15分)
某依法必須招標的工程建設項目,采用公開招標(資格后審)方式組織工程總承包招標。
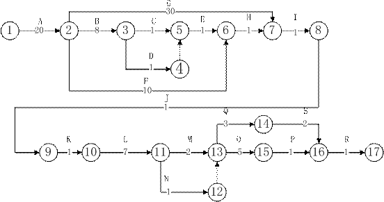
招標項目進度網絡計劃圖

注:圖中所標注時間為日歷日,各環節時間滿足相關要求,其中:
A.編制招標文件,發布招標公告;
B.發售招標文件;
C.組織一批投標人踏勘現場;
D.組織另一批投標人踏勘現場;
E.組織投標預備會;
F. 投標人提出招標文件需要澄清的問題;
G. 投標人編寫和提交投標文件;
H.發出招標文件澄清與修改;
I. 招標人和行政監督機構審查投標人營業執照和安全生產許可證,據此決定進入開標的投標文件;
J.開標;
K.評標委員會制訂評標辦法;
L.考察各投標人,將考察結果作為評標依據;
M.評標;
N. 招標人向投標人發出通知,要求投標人進一步澄清、說明有關事項;
O.公示中標結果;
P.發出中標通知書;
Q.就合同非實質性內容進行談判;
S.中標人進場建設。
問題:
1.按照招標人編制的網絡計劃,其關鍵路徑,并確定按照該計劃完成全部招標工作所需的時間。
2.逐一指出上述網絡計劃中的不妥之處,說明理由。
相關推薦:
最新資訊
- 2015年招標師考試《各科目》真題與答案匯總2015-11-09
- 2015年招標師考試《法律法規》真題答案匯總2015-11-09
- 2015年招標師考試《專業實務》真題答案(網友版)2015-11-09
- 2015招標師考試《法律法規》真題答案(網友版3)2015-11-09
- 2015招標師考試《法律法規》真題答案(網友版2)2015-11-09
- 2015年招標師考試《法律法規》真題答案(網友版1)2015-11-09
- 2015招標師《專業知識與法規》歷年考題解析第二章2015-07-17
- 2015招標師《專業知識與法規》歷年考題解析第一章2015-07-17
- 2014年招標師《法律法規與政策》真題及答案2015-07-08
- 招標師《項目管理》歷年真題精講第二章2015-04-27