2014年造價師《案例分析》教材第二章案例五
課程推薦:精品VIP―網+面強勢結合 環球造價工程師案例強化套餐
相關推薦:2014年造價工程師在線???/STRONG> 2014年造價工程師考試大綱
專題推薦:環球網校造價最全習題演練套餐 環球網校造價工程師培訓權威
【案例五】
背景:
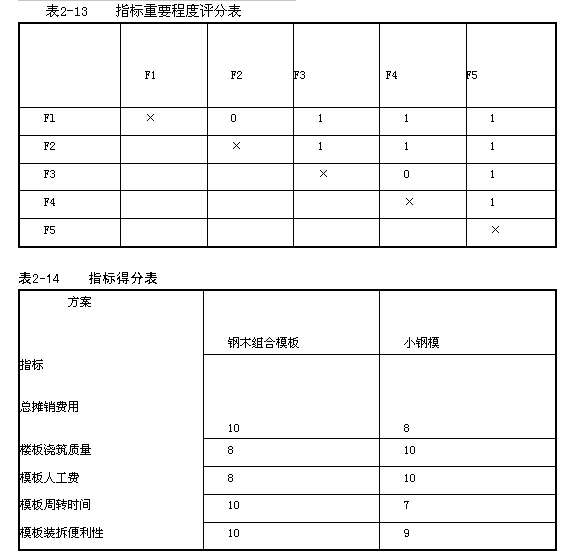
承包商B在某高層住宅樓的現澆樓板施工中,擬采用鋼木組合模板體系或小鋼模體系施工。經有關老師討論,決定從模板總攤銷費用(F1)、樓板澆筑質量(F2)、模板人工費(F3)、模板周轉時間(F4)、模板裝拆便利性(F5)五個技術經濟指標對該兩個方案進行評價,并采用0--1評分法對各技術經濟指標的重要程度進行評分,其部分結果見表2-13,兩方案各技術經濟指標的得分見表2-14。
經造價工程師估算,鋼木組合模板在該工程的總攤銷費用為40萬元,每平方米樓板的模板人工費為8.5元;小鋼模在該工程的總攤銷費用為50萬元,每平方米樓板的模板人工費為6.8元。該住宅樓的樓板工程量為2.5萬m2 。

問題:
1.試確定各技術經濟指標的權重(計算結果保留三位小數)。
2.若以樓板工程的單方模板費用作為成本比較對象,試用價值指數法選擇較經濟的模板體系(功能指數、成本指數、價值指數的計算結果均保留三位小數)。
3.若該承包商準備參加另一幢高層辦公樓的投標,為提高競爭能力,公司決定模板總攤銷費用仍按本住宅樓考慮,其他有關條件均不變。該辦公樓的現澆樓板工程量至少要達到多少平方米才應采用小鋼模體系(計算結果保留兩位小數)?
分析要點:
本案例主要考核O~1評分法的運用和成本指數的確定。
問題1需要根據O~1評分法的計分辦法將表2-13中的空缺部分補齊后再計算各技術經濟指標的得分,進而確定其權重。O~1評分法的特點是:兩指標(或功能)相比較時,不論兩者的重要程度相差多大,較重要的得1分,較不重要的得O分。在運用0-1評分法時還需注意,采用O~1評分法確定指標重要程度得分時,會出現合計得分為零的指標(或功能),需要將各指標合計得分分別加1進行修正后再計算其權重。
問題2需要根據背景資料所給出的數據計算兩方案樓板工程量的單方模板費用,再計算其成本指數。
問題3應從建立單方模板費用函數人手,再令兩模板體系的單方模板費用之比與其功能指數之比相等,然后求解該方程。
答案:
問題1:
解:根據O―1評分法的計分辦法,兩指標(或功能)相比較時,較重要的指標得1分,另一較不重要的指標得O分。例如,在表2-13中,F1相對于疋較不重要,故得O分(已給出),而F2相對于F1較重要,故應得1分(未給出)。各技術經濟指標得分和權重的計算結果見表2-15。

2.計算兩方案的成本指數
鋼木組合模板的單方模板費用為:40/2.5+8.5=24.5(元/m2)
小鋼模的單方模板費用為:50/2.5+6.8=26.8(元/m2)
則:
鋼木組合模板的成本指數為:24. 5/(24.5+26.8)=0.478
小鋼模的成本指數為:26. 8/(24.5+26.8)=0.522
3.計算兩方案的價值指數
鋼木組合模板的價值指數為:0. 507/0.478=1.061
小鋼模的價值指數為:0.493/0.522=0.944
因為鋼木組合模板的價值指數高于小鋼模的價值指數,故應選用鋼木組合模板體系。
問題3:
解:單方模板費用函數為:C= C1/Q+C2
式中:C――單方模板費用(元/m2)
C1――模板總攤銷費用(萬元)
C2――每平方米樓板的模板人工費(元/m2)
Q――現澆樓板工程量(萬m2)
則:
鋼木組合模板的單方模板費用為:Cz =40/Q+8.5
小鋼模的單方模板費用為:CX=50/Q+6.8
令該兩模板體系的單方模板費用之比(即成本指數之比)等于其功能指數之比,有:
(40/Q+8.5)/(50/Q+6.8)=0.507/0.493
即:
0.507(50 +6.8Q) -0.493(40 +8.5Q) =0
所以,Q =7.58萬m2
因此,該辦公樓的現澆樓板工程量至少達到7.58萬m2才應采用小鋼模體系。
最新資訊
- 備考必看:一級造價師《安裝計量》十大核心知識點總結2025-11-02
- 速看!一級造價師《土建計量》十大核心考點總結2025-11-01
- 免費分享:一級造價師《工程計價》十大核心考點總結2025-10-31
- 一鍵收藏:一級造價師《造價管理》十大核心考點總結2025-10-30
- 免費分享:2025年一級造價師《工程計價》考點匯總2025-10-29
- 2025年一級造價師《工程計價》考試難度及考點分析2025-10-28
- 免費分享:2025年一級造價師《造價管理》考點匯總2025-10-27
- 免費分享:2025年一級造價師案例分析重要考點匯總2025-10-27
- 2025年一級造價師《造價管理》重點考查內容2025-10-24
- 深度解析:2025年一級造價師案例考試難度及考察重點2025-10-23