2014年造價工程師《案例分析》典型案例3




某接待室工程施工圖
接待室工程施工圖設計說明
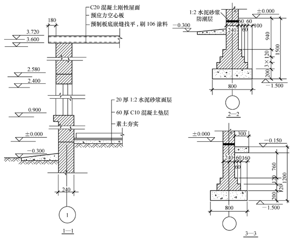
1、結構類型及標高
本工程為磚混結構工程。室內地坪標高±0.000m,室外地坪高-0.300m.
2、基礎
M5水泥砂漿砌磚基礎,C10混凝土基礎墊層200mm厚,位于-0.06m處做20mm厚1:2水泥砂漿防潮層(加6%的防水粉)。
3、墻、柱
M5混合砂漿砌磚墻、磚柱。
4、地面
基層素土回填夯實,80mm厚C10混凝土地面墊層,鋪400mm×400mm淺色地磚,20mm厚1:2水泥砂漿粘結層。20mm厚1:2水泥砂漿貼瓷磚踢腳線,高150mm.
5、屋面
預制空心屋面板上鋪30mm厚1:3水泥砂漿找平層,40mm厚C20混凝土剛屋面,20mm厚1:2水泥砂漿防水層(加6%的防水粉)。
6、臺階、散水
C10混凝土基層,15mm厚1:2水泥白石子漿水磨石臺階。60mm厚C10混凝土散水,瀝青砂漿塞伸縮縫。
7、墻面、頂棚
內墻:18mm厚1:0.5:2.5混合砂漿底灰,8mm厚1:0.3:3混合砂漿面灰,滿刮膩子2遍,刷乳膠漆2遍。
天棚:12mm厚1:0.5:2.5混合砂漿底灰,5mm厚1:0.3:3混合砂漿面灰,滿刮膩子2遍,刷乳膠漆2遍。
外墻面、梁柱面水刷石:15mm厚1:2.5水泥砂漿底灰,10mm厚1:2水泥白石子漿面灰。
8、門、窗
實木裝飾門:M-1、M-2洞口尺寸均為900mm×2400mm.
塑鋼推拉窗:C-1洞口尺寸1500mm×1500mm,C-2洞口尺寸1100mm×1500mm.
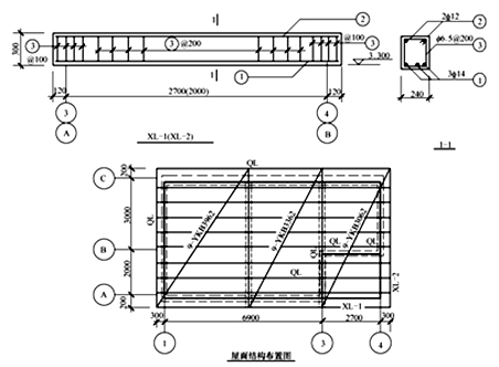
9、現澆構件
圈梁:C20混凝土,鋼筋HPB235:¢12,116.80m;HPB235: ¢6.5,122.64m.
矩形梁:C20混凝土,鋼筋HR335: ¢14,18.41kg;HPB235: ¢12,9.02kg;HPB235: ¢6.5,8.70kg.
問題:
根據《建設工程工程量清單計價規范》列出以下工程量清單項目的項目編碼、計量單位和工程數量(并列出計算式)。
1、平整場地。
2、人工挖基礎土方(墻基)。
3、人工挖基礎土方(柱基)。
4、M5水泥砂漿砌磚基礎。
5、人工基礎回填土。
6、人工室內回填土。
7、M5混合砂漿砌磚墻。
8、M5混合砂漿砌磚柱。
9、現澆C20混凝土矩形梁。
10、現澆C20混凝土圈梁。
11、C10混凝土散水。
環球網校友情提示:如果您在此過程中遇到任何疑問,請登錄環球網校造價工程師考試頻道及論壇,隨時與廣大考生朋友們一起交流!
更多造價工程師信息:
編輯推薦:
最新資訊
- 備考必看:一級造價師《安裝計量》十大核心知識點總結2025-11-02
- 速看!一級造價師《土建計量》十大核心考點總結2025-11-01
- 免費分享:一級造價師《工程計價》十大核心考點總結2025-10-31
- 一鍵收藏:一級造價師《造價管理》十大核心考點總結2025-10-30
- 免費分享:2025年一級造價師《工程計價》考點匯總2025-10-29
- 2025年一級造價師《工程計價》考試難度及考點分析2025-10-28
- 免費分享:2025年一級造價師《造價管理》考點匯總2025-10-27
- 免費分享:2025年一級造價師案例分析重要考點匯總2025-10-27
- 2025年一級造價師《造價管理》重點考查內容2025-10-24
- 深度解析:2025年一級造價師案例考試難度及考察重點2025-10-23