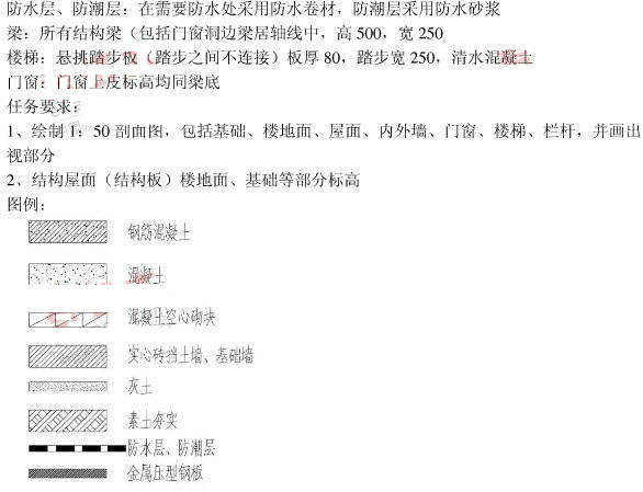
2006年一級建筑師考試技術設計作圖(剖面)真題
更新時間:2014-03-10 11:13:54
來源:|0
瀏覽
收藏
一級建筑師報名、考試、查分時間 免費短信提醒
摘要 2006年一級建筑師考試技術設計作圖(剖面)真題,供廣大考友練習提高。

編輯推薦:

編輯推薦:

編輯推薦:

編輯推薦:

編輯推薦:

編輯推薦:

編輯推薦:
編輯推薦
最新資訊
- 【含解析】2025一級建筑師《建筑結構、建筑物理與設備》真題及答案2025-05-22
- 考后發布:2025年一級建筑師《建筑結構、建筑物理與設備》真題答案2025-05-21
- 詳解已出!2025年一級建筑師《設計前期與場地設計》真題答案免費分享2025-05-19
- 2025年一級建筑師《設計前期與場地設計》真題答案(31-40題)2025-05-17
- 2025年一級建筑師《設計前期與場地設計》真題答案(21-30題)2025-05-17
- 2025年一級建筑師《設計前期與場地設計》真題答案(11-20題)2025-05-17
- 2025年一級建筑師《設計前期與場地設計》真題答案(1-10題)2025-05-17
- 2025年一級建筑師《設計前期與場地設計》考試真題及答案(圖片版)2025-05-17
- 考后發布:2025年一級建筑師《設計前期與場地設計》考試真題及答案2025-05-17
- 搶先:2025年一級建筑師《建筑結構、建筑物理與設備》真題答案2025-05-17