一級建筑師考試建筑結構模擬試題3

提示:A圖上弦桿中間有外力作用,B圖下弦桿不是二力桿,D圖上弦桿不是二力桿,均不符合桁架的條件。
答案:C
21.當框架各桿同時有溫度升高時,圖示下列結構中哪一種不會產生內力?
提示: 圖示結構中只有A圖是靜定的。
答案:A
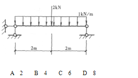
22.圖示簡支梁跨中截面彎矩值應為( ) kN?m。
提示:簡支梁受均布荷載時跨中彎矩M=ql2/8,受集中荷載時,跨中彎矩M=ql/4。
答案:B
23.剛架承受荷載如圖所示。下列四個彎矩圖中哪一個是正確的彎矩圖?
提示:由受力分析可知,無水平反力,故豎桿中不應有彎矩,C、D圖不對,而B圖顯然是簡支梁的彎矩圖,也是錯的。
答案:A
24.圖示四種門式框架中,哪一種框架的橫梁跨中彎矩最大?

提示:圖示超靜定剛架中,B圖橫梁與豎桿的剛度比最大,故其橫梁跨中彎矩最大。
答案:B
25.普通鋼筋混凝土的自重為()kN/m3。
A 20~21B 22~23C 24~25D 26~27
提示:鋼筋混凝土是最常用的建筑材料之一。根據《建筑結構荷載規范》(GB 50009―2001)附錄A附表A.1,鋼筋混凝土自重為24~25kN/m3。
答案:C
26. 一般上人平屋面的均布荷載標準值為()kN/m2。
A 0.5B 0.7C 1.5D 2.0
提示:根據《建筑結構荷載規范》(GB 50009―2001)第4.3.1條表4.3.1,上人屋面的均布活荷載標準值規定為2.0kN/m2。
答案:D
27. 下列有關荷載標準值、設計值、準永久值、荷載效應組合的敘述中,哪一種是錯誤的?
A 荷載設計值一般大于荷載標準值
B 荷載準永久值一般小于荷載標準值(高爐鄰近建筑的屋面積灰荷載除外)
C 對于承載能力極限狀態,應采用荷載效應的基本組合進行設計;對于正常使用極限狀態,應根據不同的設計要求,分別采用荷載的短期效應組合和長期效應組合進行設計
D 短期效應組合和長期效應組合的荷載設計值應考慮荷載分項系數
提示:根據《建筑結構可靠度設計統一標準》(GB 50068―2001)第7.0.6條,短期效應組合和長期效應組合時,不考慮荷載分項系數。
答案:D
28. 判別下列荷載中哪些屬于活荷載?
I.土壓力;Ⅱ.風荷載;Ⅲ.積灰荷載;Ⅳ.結構自重
A I、 Ⅱ
B Ⅲ、Ⅳ
C I、Ⅳ
D Ⅱ、Ⅲ
提示:題中風荷載和積灰荷載屬于活荷載,而土壓力和結構自重屬于靜荷載
(靜荷載亦稱恒載、永久荷載)。
答案:D
29. 多層停車庫的樓面均布活荷載是按下列哪一項確定的?
A 車的噸位大小
B 樓蓋結構型式
C 車庫的規模
D 5kN/m2
提示:根據《建筑結構荷載規范》(GB 50009―2001),是按停車庫的樓蓋結構
型式(單向板樓蓋、雙向板樓蓋和無梁樓蓋)來確定樓面均布活荷載的取值的。
注:此題指普通客車,不包括消防車。
答案:B
30. 計算不上人屋面均布活荷載時,應按以下哪種方法選取計算荷載?
A 應同時考慮屋面均布活荷載與雪荷載
B 屋面均布活荷載不應與雪荷載同時考慮,隨便選取任一荷載均可
C 屋面均布活荷載不應與雪荷載同時考慮,取其較大者
D 屋面均布活荷載不應與雪荷載同時考慮,取其中較小者
提示:由《建筑結構荷載規范》 (GB 50009―2001)可知計算屋面均布活荷載
不應與雪荷載同時考慮,應取其較大者。
答案:C
最新資訊
- 2026年注冊一級建筑師考試每日一練及答案解析(12月8日)2025-12-08
- 2026年一級注冊建筑師資格考試每日一練及答案解析(11月28日)2025-11-28
- 2026年一級注冊建筑師考試每日一練及答案解析(11月24日)2025-11-24
- 2026年一級注冊建筑師每日一練及答案解析(11月7日)2025-11-07
- 2026年一級注冊建筑師每日一練及答案解析(11月3日)2025-11-03
- 2026年一級注冊建筑師每日一練及答案解析(10月25日)2025-10-25
- 2026年一級注冊建筑師每日一練及答案解析(10月23日)2025-10-23
- 2026年一級注冊建筑師每日一練及答案解析(10月22日)2025-10-22
- 2026年一級注冊建筑師每日一練及答案解析(10月19日)2025-10-19
- 2026年一級注冊建筑師每日一練及答案解析(10月14日)2025-10-14