2011年監理工程師質量、投資、進度控制真題及答案
一、單項選擇題(共80題,每題1分。每題的備選項中,只有1個最符合題意)
1.質量是指“一組固有特性滿足要求的程度”,其中,“要求”是指( )的需要和期望。
A.供方和需方
B.組織和個人
C.明示和隱含
D.一般和特殊
2.任何建筑產品在適用、耐久、安全、可靠、經濟以及與環境協調性方面都必須達到基
本要求。但不同專業的工程,其環境條件、技術經濟條件的差異使其質量特點有不同的( )。
A.側重面
B.選擇范圍
C.內在界限
D.內在關系
3.加強隱蔽工程質量驗收和監督管理,是基于工程質量具有( )的特點而提出的要求。
A.影響因素多
B.波動大
C.終檢局限性
D.評價方法特殊性
4.選擇合適的承包單位是工程質量管理的重要環節,工程承發包管理屬于( )的管理職能。
A.業主
B.政府
C.監理單位
D.施工單位
5.某工程勘察設計企業已具有市政公用工程行業的橋梁、隧道工程甲級勘察設計資質。該企業還可承擔( )的勘察設計業務。
A.全國范圍所有工程
B.企業所在地區工程
C.建筑行業所有工程
D.公路、鐵道行業橋梁、隧道工程
6.在設計展開階段,監理工程師進行質量控制的工作內容之一是( )。
A.優選設計單位
B.編制設計大綱
C.參與主要材料、設備選型
D.提供設計基礎資料
7.對初步設計階段的無法明確或具體解決的重大技術問題,應通過( )的階段,以滿足設計質量的要求。
A.擴初設計
B.技術設計
C.施工圖設計
D.方案設計
8.按施工層次劃分工程質量控制的系統過程時,最基本的控制對象是( )。
A.原材料和構(配)件
B.施工機械與設備
C.施工作業過程
D.分部工程
9.在施工承包企業的資質管理中,根據施工承包企業的( )將其資質劃分為三個序列。
A.工程性質
B.企業規模
C.承包能力
D.專業等級
10.對于規模大、工藝復雜、需要分期出圖的工程項目,承包單位要求分階段報審施工組織設計的,應經過( )批準。
A.建設單位
B.設計單位
C.監理單位
D.質檢部門
11.監理工程師在對承包單位材料、構(配)件采購訂貨的質量控制中,應要求承包單位向供貨方索取( ),用于證明其質量符合要求。
A.質量計劃
B.質量文件
C.質量信息
D.質量手冊
12.施工總承包單位應將所簽訂的分包協議副本報送( )備案。
A.建設單位
B.建設單位代表
C.監理工程師
D.設計單位
13.施工作業技術交底的目的在于加強承包人對( )施工人員的技術指導。
A.單項工程
B.單位工程
C.分部工程
D.分項工程
14.施工過程中,材料的檢驗需要見證取樣的,見證由( )負責。
A.業主代表
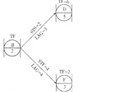
B.政府質量監督員
C.監理工程師
D.施工項目經理
15.監理工程師對施工質量的檢查驗收,必須在承包單位自檢合格的基礎上進行,自檢是指( )。
A.工序作業者的自檢驗
B.前后工序交接檢驗
C.專職質檢員的檢驗
D.作業者自檢、交接檢和專檢
16.施工承包單位要求變更或修改設計圖樣的某些內容時,按現行規范的規定,應該向項目監理機構提交( )請求批準。
A.設計變更
B.技術修改單
C.工程變更單
D.技術核定單
17.當隱蔽工程列為施工質量見證點時,監理工程師在隱蔽前所進行的監督檢查,除見證
施工過程外,還要見證( )。
A.施工環境狀況
B.施工作業條件
C.勞動組織及工種配合狀況
D.隱蔽部位的覆蓋過程
18.在填方工程的密實度檢測中,監理工程師可通過( )現場檢測取點驗證其合理性。
A.作業管理
B.計量管理
C.計劃管理
D.組織管理
19.監理工程師可使用指令文件及一般管理文書,控制承包單位的施工質量和施工行為。下列文件中,屬指令文件的是( )。
A.監理工程師通知
B.監理工程師函
C.施工例會紀要
D.協調事項備忘錄
20.生產廠方直接運至工地組裝、調試的大型設備,應在其自檢合格后,由( )組織復核,經復核合格才能予以驗收。
A.建設單位代表
B.監理工程師
C.施工總承包單位
D.設備系統的運營單位
21.大型設備基礎在設備安裝就位前,監理工程師應按規定程序對其進行檢查,土建施工部門應提交( )供監理工程師審查。
A.混凝土強度測試報告
B.基礎預壓及沉降觀測記錄
C.施工依據及質量控制資料
D.基礎預壓后的觀測記錄
22.在建筑工程施工驗收統一標準和規范體系中,作為支持性的建筑施工工藝操作規程屬
于( )標準。
A.企業
B.行業
C.部門
D.國家
23.對檢驗批基本質量起決定性作用的主控項目,必須全部符合有關( )的規定。
A.檢驗技術規程
B.專業工程驗收規范
C.統一驗收標準
D.工程監理規范
24.對于經過返修或加固的分部工程、分項工程,可按技術處理方案和協商文件進行檢驗的前提是( )。
A.不改變結構的外觀尺寸
B.不造成永久性缺陷
C.不影響主要功能和正常使用壽命
D.不影響安全和主要使用功能
25.工程質量事故的技術處理方案,一般應委托( )提出。
A.原設計單位
B.工程檢測加固單位
C.事故調查組建議的單位
D.政府質量監督部門
26.當需要使用施工作業工序抽樣檢驗所得到的質量特性數據,分析工序質量的狀況及原因時,可通過繪制( )進行觀察判斷。
A.直方圖
B.排列圖
C.管理圖
D.相關圖
27.施工單位采購的某類鋼材分多批次進場時,為了保證在抽樣檢測中樣品分布均勻、更具代表性,最合適的隨機抽樣方法是( )。
A.分層抽樣
B.等距離法抽樣
C.整群抽樣
D.多階段抽樣
28.實施質量管理的系統方法,需要采取的措施之一是建立一個( )的質量管理體系。
A.以顧客為關注焦點
B.以過程方法為主導
C.以全員參與為動力
D.以持續改進為目標
29.下列費用中,屬于建設工程動態投資的是( )。
A.基本預備費
B.漲價預備費
C.工程建設其他費
D.設備及工(器)具購置費
30.建設項目投資決策后,投資控制的關鍵階段是( )。
A.設計階段
B.施工招標階段
C.施工階段
D.竣工階段
31.某進口設備,按人民幣計算的離岸價為200萬元,到岸價為250萬元,進口關稅率為10%,增值稅率為17%,無消費稅,該進口設備應繳納的增值稅額為( )萬元。
A.34.00
B.37.40
C.42.50
D.46.75
32.某工程,直接工程費為500萬元,以直接費為基礎計算建筑安裝工程費,其中,措施費為直接工程費的5%,間接費費率為10%,利潤率為4%,綜合計稅系數為3.41%,該工程的建筑安裝工程含稅造價為( )萬元。
A.612.05
B.616.40
C.618.9l
D.621.08
33.某工程,設備與工(器)具購置費為600萬元,建筑安裝工程費為1000萬元,工程建設其他費為100萬元,基本預備費率為10%,該工程項目的基本預備費應為( )萬元。
A.100
B.160
C.170
D.200
34.預算定額是完成規定計量單位的( )進行計價的人工、材料、施工機械臺班消耗量的標準。
A.擴大施工工序
B.擴大分部工程
C.分部工程
D.分項工程
35.下列選項中,屬于其他直接費定額的是( )。
A.企業管理費定額
B.夜間施工增加費定額
C.機械消耗定額
D.建設單位管理費定額
36.采用工程量清單方式招標時,由( )負責工程量清單準確性和完整性。
A.招標人
B.投標人
C.評標委員會
D.項目業主
37.下列關于分部分項工程工程量清單的說法中,正確的是( )。
A.清單為可調整的閉口清單
B.投標人不必對清單項目逐一計價
C.投標人可以根據具體情況對清單的列項進行變更和增減
D.投標人不得對清單中內容不妥或遺漏的部分進行修改
38.項目可行性研究工作小組在完成市場調查和預測后,下一步的工作是( )。
A.制訂工作計劃
B.編制與優化方案
C.進行項目評價
D.編制可行性研究報告
39.某擬建項目,預計年生產能力為12000件,已建同類項目的建設投資額為8000萬元,生產能力為6000件。若價格調整系數為1.5,為簡化計算,設生產能力指數為1,若采用生產能力指數法估算,該擬建項目的建設投資額為( )萬元。
A.16000
B.24000
C.28000
D.30000
40.某企業從銀行貸款200萬元,年貸款復利利率為4%,貸款期限為6年,6年后一次性還本付息。該筆貸款還本付息總額為( )萬元。
A.243.33
B.245.00
C.252.50
D.253.06
41.下列財務評價指標中,屬分析項目償債能力的是( )。
A.投資回收期
B.總投資收益率
C.項目資本金凈利潤率
D.利息備付率
42.某建設項目選定項目投資、產品價格、產品成本和產量四個不確定因素,根據±10% 的變化幅度分析其對項目總投資收益率的影響,分析數據見下表。因素變化對財務內部收益率的影響

用平均敏感度方法判定,四個不確定因素中最敏感的因素是( )。
A.項目投資
B.產品價格
C.產品成本
D.產量
43.采用強制確定法對某工程四個分項工程進行價值工程對象的選擇,各分項工程的功能系數和成本系數見下表。
|
分項工程 |
甲 |
乙 |
丙 |
丁 |
|
功能系數 |
0.345 |
0.210 |
0.311 |
0.134 |
|
成本系數 |
0.270 |
0.240 |
0.270 |
0.210 |
根據計算,應優先選擇分部工程( )為價值工程對象。
A.甲
B.乙
C.丙
D.丁
44.我國實行的工程量清單計價所采用的綜合單價中不包括( )。
A.直接工程費
B.企業管理費
C.利潤
D.稅金
45.擬建工程與在建工程采用同一施工圖編制預算,但兩者的基礎部分和現場施工條件部
分存在不同。對于相同部分的施工圖預算審查,應優先采用的審查方法是( )。
A.標準預算審查法
B.分組計算審查法
C.對比審查法
D.“篩選”審查法
46.當初步設計的設備清單不完備,或僅有成套設備的重量時,此時可采用( )編制設備安裝工程概算。
A.綜合擴大單價法
B.概算指標法
C.修正概算指標法
D.預算單價法
47.估算T程量單價合同結算工程價款采用的數據是合同中確定的分部分項工程單價和( )。
A.工程量清單中確定的工程量
B.施工前的估算工程量
C.合同雙方商定的工程量
D.承包人實際完成的工程量
48.對工程范圍明確,但工程量不能準確計算,卻急需開工的緊迫工程,應采用( )合同形式。
A.估計工程量單價
B.純單價
C.可調總價
D.可調單價
49.招標控制價是招標人根據政府主管部門發布的有關計價依據和辦法,按( )計算的對招標工程限定的最高工程造價。
A.概算指標
B.施工圖樣
C.估算指標
D.基礎定額
50.投標人投標時,如果發現招標文件、工程說明書、合同條款不夠明確,或條款不很公正,技術規范要求過于苛刻,宜采用的投標報價方法是( )。
A.多方案報價法
B.不平衡報價法
C.突然降價法
D.先虧后盈法
51.下列施工階段投資控制措施中,屬于組織措施的是( )。
A.編制資金使用計劃
B.編制詳細的工作流程圖
C.對設計變更進行技術經濟分析
D.對投資支出做好分析與預測
52.根據FIDIC《施工合同條件》,建筑工程保險費、履約保證金等項目的工程計量適合采用( )。
A.憑據法
B.估價法
C.均攤法
D.分解計量法
53.某工程由于承包人原因未在約定的工期內竣工,若該工程在原約定竣工日期后繼續施工,則采用價格指數調整其價格差額時,現行價格指數應采用( )。
A.原約定竣工日期的價格指數
B.實際竣工日期的價格指數
C.原約定竣工日期和實際竣工日期價格指數中較低的一個
D.實際竣工日期前42天的價格指數
54.投資偏差分析中的擬完工程計劃投資是指( )之積。
A.擬完工程量和實際單價
B.擬完工程量和計劃單價
C.已完工程量和實際單價
D.已完工程量和計劃單價
55.下列關于竣工決算的說法中,正確的是( )。
A.竣工決算反映了承包方承包建筑工程的全部費用
B.竣工決算是承包方與業主辦理工程價款最終結算的依據
C.竣工決算是業主辦理交付使用、核定各類新增資產價值的依據
D.竣工決算是雙方簽訂的建筑安裝工程承包合同終結的憑證
56.下列建設投資費用中,應計入新增固定資產價值的是( )。
A.土地使用權出讓金
B.融資費用
C.專有技術使用費
D.樣品樣機購置費
57.下列建設工程進度控制措施中,屬于監理工程師采用的組織措施是( )。
A.編制進度控制工作細則
B.分析進度控制目標風險
C.建立進度協調會議制度
D.定期收集實際進度數據
58.下列任務中,屬于建設工程實施階段監理工程師進度控制的任務是( )。
A.審查施工總進度計劃
B.編制單位工程施工進度計劃
C.編制詳細的出圖計劃
D.確定建設工期總目標
59.用橫道圖來表示工程進度計劃,其不足是不能明確反映( )。
A.整個工程單位時間內的資源需求量
B.各項工作的開始時間和完成時間
C.各項工作之間的搭接時間
D.工程費用與工程總工期之間的關系
60.建設工程施工組織方式中,平行施工方式具有的特點是( )。
A.各工作隊實現了專業化施工
B.施工現場的組織、管理比較復雜
C.沒有充分利用工作面進行施工
D.單位時間內投入的資源量較大
61.在組織流水施工時,某施工過程(專業工作隊)在單位時間內所完成的工作量稱為( )。
A.流水節拍
B.流水步距
C.流水時間
D.流水強度
62.某工程由5個施工過程組成,分為3個施工段組織固定節拍流水施工。在不考慮提前插入時問的情況下,要求流水施工工期不超過42天,則流水節拍的最大值為( )。
A.4
B.5
C.6
D.8
63.某建筑物基礎工程的施工過程、施工段的劃分及流水節拍(單位:天)見下表,如果組織非節奏流水施工,則基礎工程的施工工期應為( )天。
|
施工過程 |
施工段 | |||
|
基礎一 |
基礎二 |
基礎三 |
基礎四 | |
|
開挖 |
3 |
4 |
2 |
6 |
|
澆筑 |
4 |
2 |
6 |
8 |
|
回填 |
2 |
3 |
7 |
9 |
A.28
B.29
C.32
D.35
64.某工程雙代號網絡計劃如下圖所示,其中工作G的最早開始時間為第( )天。

A.6
B.9
C.10
D.12
65.某工程網絡計劃中工作B的持續時間為5天,其兩項緊前工作的最早完成時間分別為第6天和第8天,則工作B的最早完成時間為第( )天。
A.6
B.8
C.11
D.13
66.在單代號網絡計劃中,關鍵線路是指( )的線路。
A.各項工作持續時間之和最小
B.由關鍵工作組成
C.相鄰兩項工作之間時間間隔為零
D.各項工作自由時差均為零
67.關于工程網絡計劃工期優化的說法中,正確的是( )。
A.當出現多條關鍵線路時,應選擇其中一條最優線路縮短其持續時間
B.應選擇直接費率最小的非關鍵工作作為縮短持續時問的對象
C.工期優化的前提是不改變各項工作之間的邏輯關系
D.工期優化過程中須將關鍵工作壓縮成非關鍵工作
68.下列關于工程費用與工期關系的說法中,正確的是( )。
A.直接費會隨著工期的增加而增加
B.直接費率會隨著工期的增加而減少
C.間接費會隨著工期的增加而增加
D.間接費率會隨著工期的增加而減少
69.工程網絡計劃資源優化的目標是( )。
A.在工期保持不變的條件下使資源需用量盡可能均衡
B.在滿足資源限制的條件下使工期保持不變
C.在工期最短的條件下使工程總成本最低
D.尋求工程總成本最低時的工期安排
70.某工程單代號搭接網絡計劃中工作B、D、E之間的搭接關系和時間參數如下圖所示,工作D和工作E的總時差分別為6天和2天,則工作B的總時差為( )天。

A.6
B.8
C.9
D.12
71.某工程單代號搭接網絡計劃如下圖所示,其中關鍵工作有( )。

A.工作A和工作B
B.工作C和工作D
C.工作B和工作D
D.工作C和工作E72.下列工作中,屬于建設工程進度監測工作的是( )。
A.確定后續工作及總工期的限制條件
B.加工處理實際進度數據
C.分析進度偏差產生的原因
D.分析進度偏差對總工期的影響
73.下列方法中,既適用于工作實際進度與計劃進度之間的局部比較,又可用來分析和預測工程項目整體進度狀況的方法是( )。
A.勻速進展橫道圖比較法
B.S曲線比較法
C.非勻速進展橫道圖比較法
D.前鋒線比較法
74.在工程進度計劃執行過程中,如果某項工作的進度偏差超過自由時差時,則該工
作( )。
A.進度偏差影響工程總工期
B.進度偏差影響其后續工作的最早開始時間
C.由非關鍵工作改變為關鍵工作
D.總時差大于零
75.監理工程師受建設單位委托控制建設工程設計進度時,應主要審核設計單位的( )。
A.技術經濟定額
B.技術經濟責任制
C.設計圖樣進度表
D.設計質量考核制度
76.下列內容中,應列入施工進度控制工作細則的是( )。
A.進度控制的方法和措施
B.進度計劃協調性分析
C.工程材料的進場安排
D.保證工期的技術措施選擇
77.在建設工程施工過程中,因施工單位原因造成實際進度拖后,監理工程師確認施工單位修改后的施工進度計劃,說明( )。
A.排除施工單位應負的責任
B.批準合同工期延長
C.施工進度計劃滿足合同工期要求
D.同意施工單位在合理狀態下施工
78.編制施工總進度計劃時,組織全工地性流水作業應以( )的單位工程為主導。
A.工程量大、工期短
B.工程量大、工期長
C.工程量小、工期短
D.工程量小、工期長
79.建設工程施工階段,為加快施工進度可采取的組織措施是( )。
A.采用更先進的施工機械
B.改進施工工藝
C.增加每天的施工時間
D.改善勞動條件
80.物資供應計劃編制的任務是在確定計劃需求量的基礎上,經過綜合平衡后,提出( )。
A.申請量和采購量
B.采購量和庫存量
C.庫存量和供應量
D.供應量和申請量
二、多項選擇題(共40題,每題2分。每題的備選項中,有2個或2個以上符合題意,至少有1個錯項。錯選,本題不得分;少選,所選的每個選項得0.5分)
81.建設單位在工程開工前應負責向建設行政管理部門辦理( )等手續。
A.建設資金審查
B.施工圖文件審查
C.工程施工許可證
D.工程質量監督
E.大型施工機械進場許可
82.政府監督管理工程質量的職能主要體現在( )。
A.建立和完善工程質量法規體系
B.建立和落實工程質量責任制度
C.建設活動主體資格及承發包管理
D.建筑企業質量體系認證
E.控制工程建設程序
83.設計準備階段監理工程師進行質量控制的主要工作有( )。
A.組建項目監理機構,編制監理規劃
B.組織設計招標或方案競賽
C.編制設計任務書,確定質量要求和標準
D.優選設計單位,配合業主簽訂設計合同
E.審查設計工作組織與任務分工
84.應由監理工程師負責組織或主持的與設計質量控制有關的活動有( )。
A.施工圖審核
B.施工圖會審
C.設計交底準備
D.設計交底會議
E.設計交底會議紀要整理
85.施工準備階段監理工程師審查施工企業項目經理部質量管理體系的主要內容有( )。
A.項目管理目標責任書
B.項目經理部的組織機構
C.項目質量管理的規章制度
D.主要管理人員及特種作業人員的資格證、上崗證
E.試驗室
86.項目監理機構審查后的施工組織設計,需報送監理單位技術負責人審查后提出意見的工程項目包括( )。
A.一般中小型的工程
B.規模大、技術復雜的工程
C.新型結構工程
D.特種結構工程
E.臨時設施工程
87.監理工程師要嚴把開工關,就必須對承包單位的( )等工作質量進行控制。
A.工程定位軸線及標高基準的建立
B.現場施工平面圖布置
C.生產要素配置
D.設計交底與圖樣現場核對
E.承包單位的責任目標確定
88.某分部工程設置為施工質量控制點,用解析圖表示質量預控與措施時,對策圖部分反
映的內容有( )。
A.該分部工程的施工階段劃分
B.質量控制有關的技術工作
C.影響施工質量的各種因素
D.各階段質量控制的管理要求
E.所采取的對策或措施
89.根據《建設工程監理規范》,施工承包單位采購的材料、構(配)件、設備進場前,必須向項目監理機構提交工程材料/構(配)件/設備報審表,隨表的附件應包括( )。
A.采購合同復印件
B.數量清單
C.質量證明文件
D.復檢結果
E.自檢結果
90.監理工程師應對施工單位施工過程中的( )等工作質量進行監控。
A.技術復核
B.材料取樣送檢
C.級配、計量
D.控制點設置
E.質量記錄資料
91.向生產廠家訂購設備前,對合格供貨商的評審內容有( )。
A.企業性質和生產規模
B.經營范圍和生產許可證
C.生產能力和技術水平
D.質量管理體系的運行和產品質量狀況
E.檢驗檢測手段及實驗室資質
92.質量控制資料的完整性是檢驗批質量合格的前提,這是因為它反映了檢驗批從原材料到驗收的各施工工序的( )。
A.施工操作依據
B.質量保證所必需的管理制度
C.過程控制
D.質量檢查情況
E.質量特性指標
93.工程質量問題處理之后,監理工程師應寫出質量問題處理報告,報送( )存檔備案。
A.質量監督機構
B.建設單位
C.監理單位
D.設計單位
E.勘察單位
94.一組隨機抽樣檢驗數據做成的直方圖,要能說明生產過程質量穩定,正常情況下其直方圖的構成與特點應反映出( )。
A.明確的質量標準上、下界限
B.直方圖為正態分布型
C.直方圖位置居中分布
D.直方圖分布中心與標準中心重合
E.直方圖與上、下界限有一定余地
95.項目監理機構施工階段投資控制的主要任務有( )。
A.編制招標工程標底
B.提供費用索賠的依據
C.進行工程計量
D.審查施工圖預算
E.對工程造價目標進行風險分析
96.分部分項工程材料費的構成包括( )。
A.材料在運輸裝卸過程中不可避免的損耗費
B.材料倉儲費
C.新材料的試驗費
D.對建筑材料進行一般鑒定、檢查所發生的費用
E.為驗證設計參數,對構件做破壞性試驗的費用
97.根據《建設工程工程量清單計價規范》(GB50500―2008),安全文明施工費包括( )。
A.環境保護費
B.臨時設施費
C.施工降水費
D.二次搬運費
E.冬雨期施工增加費
98.建設項目費用構成中,引進技術和進口設備其他費包括( )。
A.分期或延期付款利息
B.進口設備維修保養費
C.進口設備檢驗鑒定費用
D.擔保費
E.國外工程技術人員來華費用
99.根據適用范圍,建設工程定額分為( )。
A.國家定額
B.地區定額
C.行業定額
D.基礎定額
E.企業定額
100.根據《建設工程工程量清單計價規范》(GB50500―2008),下列費用項目中,屬于其他項目清單的有( )。
A.暫列金額
B.暫估價
C.應急費
D.未明確項目的準備金
E.計日工
101.建設投資估算的主要辦法有( )。
A.資金周轉率法
B.分項詳細估算法
C.比例估算法
D.概算指標法
E.擴大指標估算法
102.不確定性分析的主要方法有( )。
A.盈虧平衡分析法
B.價值工程分析法
C.敏感性分析法
D.概率分析法
E.ABC分析法
103.某大學新建校區有一實驗樓單項工程,下列費用中應列入實驗樓單項工程綜合概算的有( )。
A.分攤到實驗樓的土地使用費
B.實驗樓的土建工程費
C.實驗樓的給水排水工程費
D.實驗樓的設備及安裝工程費
E.分攤到實驗樓的建設期利息
104.當項目實際工程量與估計工程量沒有實質性差別時,由承包人承擔工程量變化風險的合同形式有( )。
A.固定總價合同
B.純單價合同
C.成本加獎勵合同
D.可調總價合同
E.成本加固定百分率酬金合同
105.運用某一投標策略時,針對不平衡報價策略的具體方式有( )。
A.能夠早期結算的工程,單價定高些
B.估計施工中工程量可能會減少的項目,單價定高些
C.工程內容說明不清的工程,單價定高些
D.沒有工程量,只填單價的項目,單價定高些
E.對于零星用工,單價定高些
106.根據FIDIC《施工合同條件》,出現( )情況且對承包商造成影響時,承包商也不能索賠利潤。
A.不可抗力
B.法規改變
C.業主未能提供現場
D.文件有技術錯誤
E.暫停施工
107.下列承包商增加的人工費中,可以向業主索賠的有( )。
A.特殊惡劣氣候導致的人員窩工費
B.法定人工費增長而增加的人工費
C.由于非承包商責任的工效降低而增加的人工費
D.監理工程師原因導致工程暫停的人員窩工費
E.完成合同之外的工作增加的人工費
108.FIDIC《施工合同條件》下,屬于工程量清單以外支付項目的有( )。
A.暫列金額
B.動員預付款
C.保留金
D.價格調整費用
E.工程變更費用
109.下列建設工程進度控制措施中,屬于監理工程師采取的技術措施有( )。
A.審查施工單位提交的進度計劃
B.建立工程進度報告制度
C.協調進度計劃與合同工期之間的關系
D.應用網絡計劃技術控制工程進度
E.協助施工單位編制施工組織設計
110.為保證工程建設中各個環節相互銜接,工程項目進度平衡表中應明確的內容包括( )。
A.各種設計文件交付日期
B.主要設備交貨日期
C.施工單位進場日期
D.工程材料進場日期
E.水、電及道路接通日期
111.在組織流水施工時,確定流水節拍應考慮的因素有( )。
A.所采用的施工方法和施工機械
B.相鄰兩個施工過程相繼開始施工的最小間隔時間
C.施工段數目
D.在工作面允許的前提下投入的勞動量和機械臺班數量
E.專業工作隊的工作班次
112.加快的成倍節拍流水施工的特點有( )。
A.相鄰施工過程的流水步距相等,且等于流水節拍
B.專業工作隊數大于施工過程數
C.施工段之間沒有空閑時間
D.同一施工過程在其各施工段上的流水節拍成倍數關系
E.施工過程數等于施工段數
113.在下列雙代號網絡圖中,互為平行工作的有( )。

A.工作A和工作B
B.工作A和工作E
C.工作A和工作G
D.工作B和工作G
E.工作B和工作c
114.根據繪圖規劃,下列雙代號網絡圖中的繪圖錯誤有( )。

A.有多余虛工作
B.存在循環回路
C.節點編號有誤
D.有多個起點節點
E.從箭線上引出箭線
115.某工程單代號網絡計劃如下圖所示,圖中關鍵工作有( )。

.工作A
B.工作B
C.工作C
D.工作D
E.工作E
116.某工程雙代號時標網絡計劃如下圖所示,該計劃表明( )。

A.工作c的自由時差為2天
B.工作E的最早開始時間為第4天
C.工作D為關鍵工作
D.工作H的總時差為零
E.工作B的最近完成時間為第1天
117.某工作的計劃進度與實際進度如下圖所示,圖中表明該工作( )。

A.在第1周內實際進度拖后
B.到第2周末拖欠5%的任務量
C.在第3周內按計劃正常運行
D.在第4周前半周末按計劃執行
E.到第6周末未按計劃完成
118.某工程雙代號時標網絡計劃進行到第6周末和第1O周末時,檢查其實際進度如下圖前鋒線所示,檢查結果表明( )。

A.第6周末檢查時,工作A拖后2周,不影響總工期
B.第6周末檢查時,工作E進展正常,不影響總工期
C.第6周末檢查時,工作G尚未開始,不影響總工期
D.第10周末檢查時,工作H拖后1周,不影響總工期
E.第10周末檢查時,工作J拖后1周,不影響總工期
119.監理工程師審核施工進度計劃的內容有( )。
A.進度安排是否符合施工合同中開工、竣工日期的約定
B.勞動力、工程材料進場安排是否與工程量清單相一致
C.分期施工是否滿足分散動用或配套動用的要求
D.施工管理及現場作業人員的職責分工是否明確
E.在生產要素的需求高峰期是否有足夠能力實現計劃供應
120.下列關于編制單位工程施工進度計劃的說法中,正確的有( )。
A.最小工作面限定了每班安排人數的上限
B.每天的工作班數應根據安排的工人數和機械數確定
C.最小勞動組合限定了每班安排人數的下限
D.施工順序通常受施工工藝和施工組織兩方面的制約
E.應根據施工圖和工程量計算規則計算每項工作的工程量
查看更多內容>> 監理工程師考試頻道 監理工程師考試論壇 監理工程師課程免費試聽
?2012年注冊監理工程師考試網上輔導招生簡章推出
?2012年監理工程師VIP套餐 不過第二年免費重學!
?環球網校2011年監理工程師考試輔導通過率高達91.26%
最新資訊
- 注冊監理工程師真題解析視頻講解-工程項目組織依次施工的特點2025-11-27
- 監理工程師真題解析視頻講解-價值工程對象選擇的方法2025-11-27
- 全國注冊監理工程師歷年真題免費領!含答案解析2025-11-05
- 免費下載!監理工程師土建歷年真題2025-10-15
- 免費下載!監理工程師法規歷年真題及解析2025-10-13
- 監理工程師真題解析視頻講解-建設工程組織平行施工的特點2025-10-11
- 注冊監理工程師歷年真題答案解析2025-09-16
- 交通運輸專業監理工程師歷年真題:含答案解析及考點分析2025-09-16
- 注冊監理工程師真題解析-建設工程組織平行施工的特點2025-09-11
- 監理工程師真題視頻講解:建設工程監理概述2025-07-11