結構工程師備考:例題(4)
更新時間:2010-06-10 11:03:43
來源:|0
瀏覽
收藏
結構工程師報名、考試、查分時間 免費短信提醒
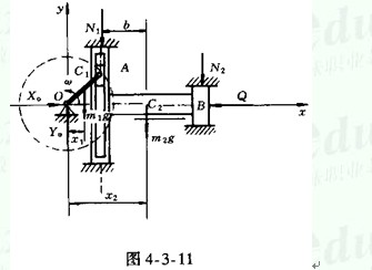
[例4—3—4] 曲柄OA質量為m1,長為r,以勻角速度ω繞O軸轉動,并帶動滑槽連桿以及與連桿固結的活塞B作往復運動。滑槽連桿和活塞的總質量為m2,作用于活塞上的已知力為Q,如果不計摩擦,求作用于曲柄軸O上的最大水平反力。

【解】 該系統包括兩個物體,曲柄OA和滑槽連桿及固結在一起的活塞B,只考慮水平方向的運動。先寫出質點系的質心在x方向的坐標公式,再應用質心運動定理求解。
(1)對象 取曲柄OA、滑槽及活塞B所組成的系統為研究對象。
(2)受力分析 作用于系統的水平方向上外力有曲柄軸O處的水平反力X0及作用于活塞上的水平力Q。
(3)運動分析 由于組成質點系的物體為剛體,而且各部分運動顯為已知,因此用質心運動定理比較方便。取坐標系Oxy如圖4—3—11所示,設t瞬時,曲柄處于x軸正向,則在水平方向系統的質心坐標為

2010年注冊結構工程師考試報名時間信息匯總
結構工程師基礎科目(一)考試普通化學練習題匯總
2010年結構師考試9月18、19日
更多信息請訪問:結構工程師頻道 結構工程師論壇
編輯推薦
上一篇:結構工程師備考:例題(3)
下一篇:結構工程師備考:例題(5)
最新資訊
- 2025年一級注冊結構工程師考前實戰試題解析:突破考試瓶頸的終極指南‌2025-10-13
- 2025年一級注冊結構工程師常考知識點2025-02-17
- 2025年二級注冊結構工程師高頻知識點2025-02-17
- 2024年度二級注冊結構工程師專業考試資料:規范、標準、規程2024-08-13
- 2024年度一級注冊結構工程師專業考試資料:規范、標準、規程2024-08-13
- 環球網校雙11預售開啟!定金百倍膨脹,直播再返現金2023-10-25
- 環球網校結構工程師雙11活動來啦,限時優惠!2023-10-25
- 注冊結構工程師考試大綱下載2023-05-16
- 2023年一級注冊結構工程師考試大綱內容2023-04-14
- 2023年結構工程師教材內容變動對比2023-04-10