浙江2011年4月自考塑料成型工藝與模具設計試題
浙江省2011年4月高等教育自學考試
塑料成型工藝與模具設計試題
課程代碼:02220
一、填空題(本大題共7小題,每空1分,共20分)
請在每小題的空格中填上正確答案。錯填、不填均無分。
1.熱塑性塑料在成型過程中存在______、______和______。
2.塑料改性最主要的方法有______和______兩種。
3.注射成型工藝過程包括______、______和______的后處理三個階段。
4.精密塑料制品對注射成型工藝的要求是______、______和______。
5.常見的擠出機頭按機頭結構形式可分為______、______、______等。
6.塑料模具中,按結構推出機構主要有______、______、______三種。
7.塑料模澆注系統由______、______、______和冷料井組成。
二、名詞解釋(本大題共5小題,每小題3分,共15分)
1.分型面轉自環 球 網 校edu24ol.com
2.塑化壓力
3.吹脹比
4.PC――
ABS――
PSF――
5.鎖模力
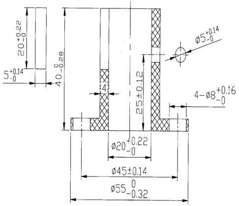
三、計算題(本大題10分)
如圖所示,求該成型零件工作尺寸。

四、簡答題(本大題共3小題,每小題10分,共30分)
1.簡述熱固性塑料和熱塑性塑料的特點。
2.什么是側抽芯機構復位時的干涉現象,避免復位時干涉的方法有哪些?
3.單分型面注射模和雙分型面注射模在結構上的主要區別是什么?
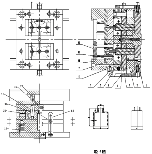
五、綜合題(看塑料模具總裝圖)。(本大題共4小題,共25分)

1.寫出圖中所示10個零件的名稱。(每個1分,共10分)
2.模具采用何種澆口形式?(3分)
3.模具有幾個分型面?(4分)
4.敘述模具工作原理。(8分)
最新資訊
- 自學考試《習概》2024年-2025年真題及答案解析匯總【免費領取】2025-11-17
- 自學考試《馬原》2022年-2025年真題及答案解析【免費領取】2025-11-17
- 2025年10月自考《英語二》完形補文+寫作真題及答案整理2025-10-30
- 備考重點!2025年10月自學考試全專業真題、答案解析合集匯總2025-10-30
- 同步更新!2025年10月自考《英語二》真題及答案匯總(完整版)2025-10-29
- 答案發布!2025年10月自考各專業真題已匯總2025-10-29
- 2025年10月自考《英語二》選擇、完形填空、寫作真題及答案更新!2025-10-28
- 更新!2025年10月自考《英語二》答案匯總2025-10-28
- 簡答題+論述題!2025年10月自考《毛概》真題答案速看2025-10-28
- 2025年10月自考本科對答案!公共課+專業課全科目真題及答案解析2025-10-28