2013年江蘇省造價員資格考試土建試卷土建答案及解析
2013年江蘇省造價員資格考試土建試卷土建答案及解析
一、(本題25分,初級做)
某工業廠房建筑,為三類工程,其基礎平面圖、剖面圖如圖所示。基礎為C20鋼筋砼獨立柱基礎,C10素砼墊層,設計室外地坪為-0.30m。基礎底標高為-2.0米,柱截面尺寸為400×400mm。根據地質勘探報告,土壤類別為三類土,無地下水。該工程采用人工挖土,人工回填土夯填至設計室外地坪。人工挖土從墊層下表面起放坡,放坡系數為1:0.33,工作面以墊層邊至基坑邊為300mm,本工程砼均采用泵送商品砼。
請按以上施工方案以及《江蘇省建筑與裝飾工程計價表》(2004)計算規則計算土方開挖、土方回填、砼墊層以及砼基礎(其余不予考慮)的計價表工程量并填寫相應的計價表子目編號、名稱及綜合單價。



評分標準:人工挖基坑J1、J2中開挖深度、基坑下口寬度、基坑上口寬度計算正確各1分,計算公式使用正確及結果正確各2分,計10分。
獨立基礎工程量計算正確3分
墊層工程量計算正確 2分
回填土工程量工程計算正確2分(過程正確得1.5分)
定額號填寫正確每項1分,定額名稱及單價各0.5分,計8分(定額名稱準確即可)
合計25分
二、某一層接待室為三類工程,磚混結構,平、剖面圖如圖所示。設計室外地坪標高為-0.300m,設計室內地面標高為±0.000m。平屋面板面標高為3.500m。墻體中C20砼構造柱工程量為2.39 m3(含馬牙槎),墻體中C20砼圈梁工程量為2.31 m3,平屋面屋面板砼標號C20,厚100mm,門窗洞口上方設置砼過梁,工程量為0.81 m3,-0.06m處設水泥砂漿防潮層,防潮層以上墻體為KP1多孔磚240×115×90mm,M5混合砂漿砌筑,防潮層以下為砼標準磚,門窗洞口尺寸見門窗表。
1、請按江蘇省04計價表計算KP1多孔磚墻體的工程量及綜合單價(管理費、利潤費率等按計價表執行不調整,其他未說明的,按計價表執行。)
2、請按江蘇省04計價表計算與墻體砌筑、墻面抹灰、天棚面抹灰的腳手架工程量,并列出子目對應的定額編號。(注:計算腳手架時:內墻砌體高度、凈高:自室內地面至屋面板底;外墻腳手架按雙排外架子考慮。)

三、(本題20分,初級、中級均做)
根據下表提供的工程量清單,按江蘇省04年計價表組價。要求填寫清單綜合單價、合價和工程量清單綜合單價分析表,定額綜合單價有換算的須列簡要換算過程,其他未說明的,按04年計價表執行。(管理費費率、利潤費率、人工單價按計價表子目不做調整,材料需換算單價的按照江蘇省04年計價表附錄中對應材料單價換算。)






評分說明:定額號正確,每項得1分,應標未標注換時僅得0.5分;定額名稱正確,每項得0.5分;計量單位均正確得0.5分,否則不得分;定額數量均正確得0.5分,否則不得分;換算過程按題中得分點,共8分;定額綜合單價正確每項0.5分;清單綜合單價正確得0.5分,合價正確得0.5分。
第四題(30分)




五、(本題30分,中級做)
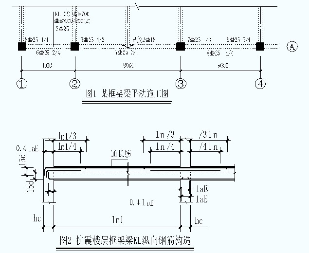
某框架梁,如圖1所示,請根據圖2、圖3、圖4所示構造要求(依據國家建筑標準設計圖集11G101-1)以及其他本題給定條件,計算該框架梁鋼筋總用量。已知框架梁為C30現澆砼,設計三級抗震,,柱的斷面均為400mm×400mm,次梁斷面200mm×400mm。框架梁鋼筋保護層20mm,為最外層鋼筋外邊緣至混凝土表面的距離。鋼筋定尺為8m,鋼筋連接均選用綁扎連接。抗震受拉鋼筋錨固長度laE=37d,上下部縱筋及支座負筋伸至邊柱外為0.4laE另加彎折長度15d,下部非貫通縱筋伸入中間支座長度為laE。縱向抗震受拉鋼筋綁扎搭接長度lLe=51.8d。
主次梁相交處在主梁上設2根附加吊筋(如圖3所示),附加吊筋長度計算公式為2×平直段長度+2×斜段長度+次梁寬度+2×50。
本框架梁箍筋長度計算公式為:(梁高-2×保護層厚度+梁寬-2×保護層厚度)×2+24×箍筋直徑,箍筋加密區長度為本框架梁梁高的1.5倍,箍筋根數計算公式分別為:【(加密區長度-50)/加密間距】+1及(非加密區長度/非加密間距-1)。縱向受力鋼筋搭接區箍筋構造不予考慮。(鋼筋理論重量:25=3.850kg/m,18=1.998kg/m,8=0.395kg/m,計算結果保留小數點后2位。)







評分標準:
上部貫通縱筋、支座負筋、下部縱筋單根長度為1.5分,根數為0.5分,計24分。
附加吊筋單根長度為2分,根數0.5分,計2.5分
箍筋及附加吊筋單根長度0.5分,根數2分,計2.5分
重量匯總酌情1.分
合計:30分。
第六題




施工組織:房建,市政,道橋,水利,巖土,隧道
環球網校友情提示:如果您在此過程中遇到任何疑問,請登錄環球網校造價員考試頻道及論壇,隨時與廣大考生朋友們一起交流!
編輯推薦
2013年造價員考試網絡輔導招生簡章
2013年造價員資格考試報名條件
最新資訊
- 2025年天津二造實務真題及答案:11月16日下午場2025-11-16
- 搶先版!2025年天津二級造價師考試真題及答案11月16日上午場2025-11-16
- 2025年河南二級造價師考試真題《建設工程計量與計價實務》考生回憶版2025-11-15
- 搶先版!2025年河南省二級造價師考試真題及答案《建設工程造價管理基礎知識》2025-11-15
- 2025年11月15日河南二造真題及答案解析:實時更新2025-11-13
- 考后更新2025年河南二級造價師考試真題及答案解析2025-11-12
- 2025年天津二級造價真題及答案:考后更新2025-11-12
- 考后發布!2025年河南省二級造價師真題答案《建設工程計量與計價實務》2025-11-10
- 環球網校考后發布:2025年天津二級造價師《交通運輸》真題及答案解析2025-11-10
- 環球網校考后發布:2025年天津二級造價師《水利工程》真題及答案解析2025-11-10