土建工程實務輔導:結構施工圖1
結構施工圖
在建筑設計的基礎上,對房屋各承重構件的布置、形狀、大小、材料,構造及相互關系等進行設計,畫出來的圖樣稱為結構施工圖(又稱結構圖),簡稱“結施”。
結構圖一般包括結構設計說明、結構布置圖和構件詳圖三部分內容。
結構設計說明以文字敘述為主,主要說明設計的依據,如地基情況、風雪荷載、抗震情況;選用結構材料的類型、規格、強度等級;施工要求;標準圖或通用圖的使用等。
結構布置圖是房屋承重結構的整體布置圖,主要表示結構構件的位置、數量、型號及相互關系。常用的結構平面布置圖有基礎布置平面圖、樓層結構平面圖、屋面結構平面圖、柱網平面圖等
構件詳圖是表示單個構件形狀、尺寸、材料、構造及工藝的圖樣,如:梁、板、柱、基礎等詳圖。
一、基礎平面圖及詳圖
為了把基礎表達得更清楚,假想用貼近首層地面并與之平行的剖切平面把整個建筑物切開,移走上半部分,剩下下半部分,再假想把基礎周圍的回填土挖出使整個基礎裸露出來。
基礎平面圖。是將剖切后裸露出的基礎向水平投影面作投影而得到的剖面圖。
基礎詳圖。是將基礎垂直切開所得到的斷面圖(對獨立基礎,有時還附單個基礎的平面詳圖)。
(一)基礎平面圖
基礎平面圖主要表達基礎的平面布置情況,定位軸線及間距,基礎的類型、管溝的平面位置和基礎詳圖的剖切位置等。它與基礎詳圖一起,用做放線,挖基槽和基坑,砌筑基礎以及編制預算和施工進度計劃的依據。
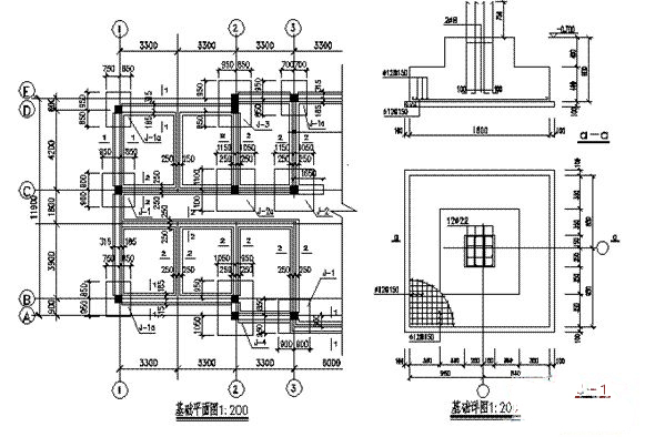
圖1-2-6所示為某宿舍基礎平面圖。條形基礎用兩條平行的粗實線表示剖切到的墻厚,基礎墻兩側的中實線表示基礎外形輪廓,基礎斷面位置用○――表示。繪圖比例為1:200,橫向軸線由①~⑩,縱向軸線由A~E。圖中框架柱涂黑。
(二)基礎詳圖
基礎詳圖主要表達基礎的形狀、尺寸、材料、構造及基礎的埋置深度等。各種基礎的圖示方法有所不同,圖1-2-7舉出了獨立基礎的基礎詳圖。從該圖中看到,基礎底面長度為1800mm,寬度為1800mm,基礎頂面標高-0.700m,每個基礎大放腳的高度為400mm。在基礎底部雙向配有φ12@150的受力鋼筋。基礎下有100mm厚的C10素混凝土墊層。基礎柱尺寸為400mm×400mm,預留插筋12φ22 ,鋼筋下端直接插入基礎內部,上端與柱中的鋼筋搭接。

?2008年全國建設工程造價員資格考試大綱![]()
?2009年造價員考前網上輔導招生簡章
最新資訊
- 免費下載!2025年新疆二級造價師考前3頁紙2025-11-04
- 免費下載~2025年河南二級造價工程師備考資料包2025-10-25
- 新疆2025年二造考試科目都有哪些2025-10-23
- 免費下載!2025年河南二級造價師備考資料包2025-10-23
- 2025年新疆二級造價工程師備考資料大匯總2025-10-10
- 考前3天搶分必刷!2025年上海二級造價工程師3套模考卷2025-10-09
- 最后3天抓緊背!2025年上海二級造價師考前3頁紙2025-10-09
- 沖刺備考必備!2025年上海二級造價師考試備考資料包2025-10-05
- 2025年新疆二級造價師考試大綱2025-10-02
- 黃金13天!2025年上海二級造價師備考這份資料盡早背2025-09-29