2010年注冊電氣工程師專業基礎習題5
更新時間:2010-09-16 10:19:13
來源:|0
瀏覽
收藏
電氣工程師報名、考試、查分時間 免費短信提醒
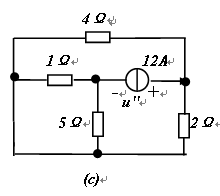
用疊加定理求題2-3圖示電流源兩端的電壓。



![]()
解:電壓源單獨作用時如圖(b)所示,則

當電流源單獨工作時,如圖(c)所示,則4Ω與2Ω并聯,1Ω與5Ω并聯
然后兩并聯電路再串聯,所以

查看更多內容: 電氣工程師考試頻道 電氣工程師課程試聽 電氣工程師考試論壇
·2010年電氣工程師考試網上輔導招生簡章!
·2010年電氣工程師考試時間9月18、19日
·注冊電氣工程師執業資格考試內容簡介
·權威老師主講2010年電氣工程師輔導課程
編輯推薦
最新資訊
- 2025年注冊電氣工程師考試題練習2025-06-13
- 2025年注冊電氣工程師考試試題練習2025-04-30
- 2024年電氣工程師考試試題及答案2024-10-13
- 24年注冊電氣工程師考試試題2024-07-30
- 注冊電氣工程師模擬考試試題2023-04-20
- 2022年注冊電氣工程師試題與答案2022-04-27
- 2022年電氣助理工程師考試題及答案2022-04-21
- 注冊電氣工程師證含金量高嗎2022-04-20
- 2022年電氣工程師考試題及答案2022-04-20
- 2022年電氣工程師試題與答案2022-04-18